Усиление лесных дорог геотехническими решётками.

   УСИЛЕНИЕ ЛЕСНЫХ ДОРОГ ОБЪЕМНЫМИ ГЕОРЕШЁТКАМИ .

  In this article is motivated need of the reinforcement timber roads by solid geogrid in a context of problems of construction of transport ways of special assignment. The mechanism of work of a geocomposite «soil – geogrid» is described. Results of researches of work capacity of the road design amplified with a geogrid in laboratory conditions are submitted. Graphic dependences of the maximal vertical pressure, depths of a track from number of passes of the coupled wheels of the carriage of the experimental stand are given and analyzed.
  При строительстве лесных дорог в сложных грунтово-гидрологических условиях, а также с применением в процессе их строительства местных малопригодных или условно пригодных грунтов и материалов, дальнейшей эксплуатации дорожных конструкций возникает проблема обеспечения требуемой эксплуатационной надежности. В практику дорожного строительства как эффективный способ усиления дорог все шире внедряется метод армирования грунтов геосинтетическими материалами, в частности георешётками [1].
  Грунты как строительный материал слабо сопротивляются многократным нагрузкам от лесовозного транспорта и подвержены накоплению остаточных деформаций, что приводит к износу и колееобразованию на дорожных покрытиях. Это обусловлено структурой материала, представляющего собой смесь дискретных частиц разной формы и размеров, способных смещаться относительно друг друга под действием нагрузок.
  Предотвратить смещение или значительно уменьшить его можно путем введения в дорожные конструкции различного рода армирующих элементов, одним из которых является георешётка. Применение георешёток позволяет создать дорожные конструкции, обладающие повышенными эксплуатационными свойствами и способные выдерживать нагрузки от транспорта большой грузоподъёмности. Использование георешёток обусловлено их высокой прочностью, устойчивостью к воздействию гидрогеологических факторов и экологической безопасностью.
  Георешётка при использовании её в качестве элемента усиления дорожной конструкции позволяет увеличить сцепление несвязного материала, применяемого в слоях дорожной одежды. Объёмная ячеистая структура георешётки при воздействии на неё нагрузки локализует деформации, которым подвергается заполнитель (грунт). При этом пассивное сопротивление смежных ячеек с заполнителем, тесная взаимосвязь заполнитель – ячейка – факторы, обеспечивающие повышение жёсткости дорожной конструкции.
  С целью проверки работоспособности усиленной георешёткой грунтогравийной дороги в лаборатории кафедры транспорта леса БГТУ проводились экспериментальные исследования. Именно по таким дорогам в основном производится вывозка леса, при этом под воздействием колёсной нагрузки происходит интенсивное деформирование дорожной одежды, накапливаются необратимые деформации (образуется колея). Для экспериментальных целей использовалась георешётка Комета с размером ячейки 0,2 м и высотой 0,1 м, которая выпускается из полиэфира.
  Испытания проводились в грунтовом канале на экспериментальных участках длиной 2,2 м, шириной 1,2 м, почвогрунт – суглинок. Первый участок без георешётки устраивался послойно, с доведением каждого слоя до максимальной плотности при оптимальной влажности. Верхний слой представлял собой покрытие из песчано-гравийной смеси толщиной 0,1 м. Устройство второго участка с георешёткой осуществлялось таким же образом с разницей в том, что песчано-гравийная смесь укладывалась на армированное георешёткой основание дорожной одежды.
  Исследования проводились по методикам [2], [3] и состояли из двух этапов.
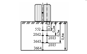
1. Определение напряжений (максимальных) в различных зонах грунтогравийного массива. Для этого после устройства каждого из слоев было заложено шесть тензорезисторных преобразователей давления - мессдоз см. рис.1.

 

Рис. 1. Схема закладки мессдоз.
Рис. 1. Схема закладки мессдоз.

 

  Нагрузка, передаваемая колёсной парой самоходной тележки на покрытие исследуемых дорожных конструкций, составляла 3200 кг, давление воздуха в шинах - 0,3 МПа, число проходов по одному следу - 100. Величины напряжений регистрировались после каждого прохода с помощью мобильного измерительного усилителя Spider-8 (результаты измерений представлены на рис.2).
2. Измерение глубины колеи после определённого числа проходов тележки с помощью сверхточного нивелира и мерной рейки (результаты измерений представлены на рис.3).

 

Рис. 2. Зависимость максимальных вертикальных напряжений от числа проходов тележки.
Рис. 2. Зависимость максимальных вертикальных напряжений от числа проходов тележки.
Рис. 2. Зависимость максимальных вертикальных напряжений от числа проходов тележки:
а - по опытному участку без георешётки;
б - по опытному участку с георешёткой. 
1, 2, 3, 4, 5, 6 - мессдозы соответственно № 2883, № 2885, № 3663, № 2862, № 3664, № 552. Рис. 3. Зависимость глубины колеи от числа проходов тележки по опытному участку.
Рис. 3. Зависимость глубины колеи от числа проходов тележки по опытному участку:
1 – без георешётки;
2 – с георешёткой. 

 

  Анализ зависимостей (рис.3) подтверждает теоретические предпосылки о том, что ячейки георешётки перераспределяют активное вертикальное давление на грунт на большие поверхности, в результате чего величина этого давления снижается. Наибольшие напряжения в ходе эксперимента регистрировала мессдоза № 2883, заложенная на глубине 0,2 м, а наименьшие - мессдоза № 552, заложенная по центру спаренных колёс на глубине 0,15 см.
  Зависимости, представленные на рис.4, показывают, что образование колеи наиболее интенсивно происходило при первых 12 проходах. После 80 проходов глубина колеи стабилизировалась и в итоге на участке без георешётки составила 4,95 см, а на участке с георешёткой - 3,65 см, (т. е. на 35% меньше). Объясняется это механизмом работы конструкции «грунт - георешётка», уменьшающей интенсивность колееобразования, а также свойствами самой георешётки. Связь ячеек в её структуре, взаимное их блокирование практически не позволяет ячейкам сдвигаться, что ограничивает неравномерное оседание георешётки, а вместе с тем и дорожной конструкции.
  По результатам экспериментальных исследований можно сделать следующие выводы. Использование георешёток в качестве элемента усиления положительно влияет на напряженно-деформированное состояние дорожных конструкций, позволяет существенно повысить прочность грунтогравийных дорог, используемых для вывозки древесины. За счет снижения степени накопления остаточных деформаций (колееобразования) можно увеличить межремонтные сроки и, что особенно значимо, снизить будущие затраты на содержание и ремонт лесных дорог.
  Резюмируя, отметим, что усиление георешётками дорожных конструкций является весьма эффективным способом строительства лесных дорог в сложных условиях, учитывая далеко не всегда экономически оправданные традиционные методы (замена грунтов, техническая мелиорация, устройство свайных полей, использование деревянных настилов и щитов).
  В то же время предлагаемые дорожные конструкции с георешётками являются новым решением рассматриваемой здесь, в общем-то, всегда актуальной технической проблемы, учитывая современные тенденции увеличения объемов использования местных малопрочных грунтов при строительстве лесных дорог, учитывая, наконец, необходимость соответствия условий строительства экологическим требованиям.

 

Литература:
1. ОДМ «Рекомендации по применению геосинтетических материалов при строительстве и ремонте автомобильных дорог». - М.: Росавтодор, 2003. - 152 с.
2. Федоренчик А. С., Протас П. А., Дорожко А. В. Методика проведения исследований воздействия колёсных движителей на почвог-рунты в лабораторных условиях // Труды БГТУ. Сер. II. Лесная и деревообраб. пром-сть. - 2004. – Вып. XII. С. 57-60.
3. Насковец М. Т., Севрук С. А. Методика и оборудование для исследования работы дорожных одежд колейного типа с применением утилизированных автопокрышек // Труды БГТУ. Сер. II. Лесная и деревообраб. пром-сть. - 2004. – Вып. XII. С. 108-112.

 

П. А. Лыщик, доцент.
С. В. Красковский, аспирант.

 

 

Георешетка, фильтровальные материалы, - гeорeшeтка, анкеры для монтажа георешеток, фильтровальные ткани, рукава от производителя.